Elemente de fixare premium pentru gips-carton
Profile pentru gips-carton, pereți, dibluri pentru pereți goi – Elemente de fixare premium pentru gips-carton și construcții uscate
Pereții construiți din plăci de gips-carton și fibro-gips reprezintă o soluție consacrată și populară pentru compartimentare, precum și pentru renovarea apartamentelor și clădirilor.
Fiecare etapă a procesului de construcție necesită o soluție de fixare specifică, perfect adaptată: de la realizarea structurilor de susținere din lemn sau metal, la fixarea sigură a plăcilor de gips-carton și până la montarea diverselor obiecte cu ajutorul diblurilor pentru pereți goi.
Diblurile pentru pereți goi (cunoscute și sub denumirea de dibluri pentru gips-carton) nu sunt doar potrivite pentru pereții din gips-carton sau fibro-gips, ci sunt ideale și pentru fixări generale în structuri goale sau în tavane suspendate.
Alege produsele premium de fixare CELO pentru rezultate rapide, ușoare și durabile în orice lucrare de construcție uscată.
Minden szárazépítési munkafázishoz speciális megoldás szükséges: legyen szó fa- vagy fém tartószerkezet építéséről, gipszkarton falak szereléséről vagy tárgyak rögzítéséről üreges fal dübelekkel, amelyek egyúttal kiválóan alkalmasak üregekben és álmennyezetekben történő biztonságos rögzítésre is.
PREZENTARE GENERALĂ
Faceți clic aici
1. Construirea structurii de susținere (montarea cadrului din lemn sau metal)
Ca prim pas al lucrărilor de construcție uscată, trebuie construită o structură de susținere stabilă din lemn sau metal, pe care ulterior se vor fixa diferite tipuri de plăci – precum plăcile de gips-carton sau fibro-gips. CELO oferă soluții de fixare premium, fiabile și de înaltă calitate pentru ambele opțiuni.
1.1 Construirea structurii metalice (profile metalice)
1.2 Construirea structurii din lemn
1.1 Construirea structurii metalice (profile metalice)



Profilele metalice pot fi fixate rapid și sigur între ele cu șurubul special de îmbinare pentru profile CELO (PVS). PVS este un șurub autofilant premium, dezvoltat special pentru construcții uscate, ideal pentru înșurubarea a două profile metalice cu grosimea maximă de 0,8 mm fiecare.
Datorită stratului special de zinc pasivat albastru, șurubul poate fi introdus rapid, asigurând în același timp o îmbinare perfectă și stabilă a profilelor metalice. Astfel, structura ta va fi durabilă și profesională, chiar și în condiții de utilizare intensă.
1.2 Construirea structurii din lemn


Pentru asamblarea rapidă și sigură a structurilor din lemn, alege șurubul certificat CELO VELOX® Pozi pentru plăci aglomerate din lemn, special conceput pentru lucrări de construcții uscate.
Șurubul VELOX® Pozi are un filet frontal special, patentat, care reduce la minimum riscul de crăpare a lemnului și necesită o forță de înșurubare semnificativ mai mică. Datorită acestui design, vei putea lucra mai rapid și mai confortabil, prelungind totodată durata de viață a uneltelor cu acumulator.
Alege calitatea premium CELO și construiește structuri din lemn durabile și profesionale, garantat!
2. Montarea plăcilor de gips-carton
Plăcile de gips-carton și fibro-gips pot fi fixate rapid și ușor cu șuruburile premium CELO pentru construcții uscate, cunoscute și sub denumirea de șuruburi rapide. Capul special în formă de trompetă asigură o fixare perfect plană cu suprafața plăcii, facilitând astfel aplicarea gletului și tencuielii într-un mod simplu și rapid.
Șuruburile CELO din oțel fosfatat negru sunt disponibile în mai multe variante, în funcție de utilizarea lor pentru structuri din lemn sau metal, precum și pentru alte cerințe specifice. Găsește tipul ideal pentru fiecare proiect de construcție uscată!
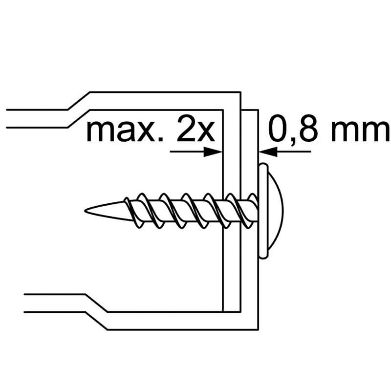
2.1 Fixarea plăcilor de gips-carton pe structura metalică (max. 0,8 mm)
Șurubul autofilant CELO SSF pentru construcții uscate, cu filet fin (cu prindere PH2 în cruce), este alegerea ideală pentru fixarea plăcilor de gips-carton pe profile din aluminiu sau metal, cu o grosime maximă de 0,8 mm. Designul său special și filetul fin permit o înșurubare rapidă, precisă și ușoară, asigurând un rezultat stabil, durabil și profesional.



2.2 Fixarea plăcilor de gips-carton pe structura metalică (max. 2,25 mm)
Șurubul autoforant CELO SSB pentru construcții rapide este alegerea perfectă pentru fixarea plăcilor de gips-carton pe structuri metalice robuste, cu o grosime de până la 2,25 mm. Caracteristica sa specială este vârful autoforant Teks, care permite perforarea rapidă și ușoară chiar și a profilelor metalice mai groase. Filetul fin și prinderea PH2 asigură o instalare precisă, rapidă și simplă, oferind un rezultat profesional și durabil.
Alege șuruburile CELO SSB de calitate premium pentru un rezultat final sigur și de înaltă calitate!



2.3 Fixarea plăcilor de gips-carton pe structuri metalice (max. 0,8 mm)
Șurubul CELO premium GSH pentru gips-carton cu filet HiLo („High-Low”) și cap PH2 pentru înșurubare este alegerea ideală pentru fixarea sigură a plăcilor de gips-carton, chiar și pe structuri metalice cu profiluri de până la 0,8 mm grosime. Avantajul designului special al filetului HiLo este că, spre deosebire de alte șuruburi pentru construcții uscate, taie eficient fibrele de gips-carton, asigurând astfel o înșurubare rapidă și ușoară, precum și o fixare excelentă.
Alege șurubul auto-filetant CELO GSH pentru rezultate profesionale și durabile în toate lucrările tale de construcții uscate!



2.4 Fixarea plăcilor de gips-carton pe structuri din lemn
Șurubul rapid de construcție SSG, cu filet gros și cap PH2 pentru înșurubare, fabricat de CELO, oferă soluția perfectă pentru fixarea rapidă și sigură a plăcilor de gips-carton pe structuri din lemn.
Datorită capului de șurub în formă de trompetă, șurubul se potrivește perfect la nivelul suprafeței plăcii, permițând o aplicare ușoară și rapidă a gletului sau tencuielii.
Alege șuruburile rapid de construcție premium CELO SSG pentru ca fiecare lucrare de construcții uscate să aibă un rezultat stabil, profesional și durabil!



2.5 Fixarea plăcilor de gips-carton pe gips-carton
Șurubul rapid de construcție GGS, special tratat, cu cap PH2 pentru înșurubare, a fost dezvoltat special pentru fixarea plăcilor de gips-carton între ele. Abrevierea GGS înseamnă „șurub gips-gips”. Diametrul mărit al șurubului, de 5 mm (față de 3,9 mm la șuruburile standard pentru gips-carton) și filetul mai gros asigură o fixare excelentă între plăci, strângându-le puternic și stabil.
Alege șuruburile premium CELO GGS și vei obține cu siguranță un rezultat stabil, durabil și profesional!


3. Fixarea cu dibluri pentru gips-carton
Cu o experiență de peste 60 de ani în domeniul tehnicii de fixare, CELO Befestigungssysteme GmbH oferă o gamă largă de dibluri pentru gips-carton de calitate premium. Cu aceste elemente de fixare, chiar și sarcinile mai mari pot fi fixate în siguranță și stabil pe pereții din gips-carton, plafoane suspendate și alte structuri goale. Fii încrezător în soluțiile profesionale de fixare CELO pentru a obține întotdeauna rezultate durabile și de încredere!
Descoperă cele 8 tipuri diferite de dibluri pentru gips-carton CELO, care oferă soluții premium pentru toate nevoile tale, cu diverse metode de fixare.
3.1 CELO BT plus – Diblul universal premium pentru orice tip de structură goală
3.2 CELO HRM – Diblul premium din metal pentru gips-carton și pereți goi, cu capacitate de încărcare suplimentară
3.3 CELO FK – Diblul metalic cu cârlig basculant pentru pereți goi și plafoane suspendate, cu capacitate mare de încărcare
3.4 CELO GKD – Diblul rapid autoforant pentru gips-carton
3.5 CELO GKDZ – Diblul rapid autoforant pentru gips-carton cu șurub
3.6 CELO FX – Diblul universal premium din nailon pentru pereți goi, cu montaj ușor
3.7 CELO HR – Diblul din nailon pentru gips-carton, pentru sarcini ușoare
3.8 CELO TPL – Diblul autoforant pentru gips-carton, cu capacitate mare de încărcare
3.1 CELO BT plus – Diblul universal premium pentru orice tip de structură goală






Pentru plăcile de gips-carton și gips-carton perforat (cunoscute sub denumirea de Rigips), diblul CELO BT Plus pentru pereți goi este alegerea perfectă. BT Plus este un diblu premium de calitate superioară pentru pereți goi, care asigură fixarea sigură și stabilă a obiectelor grele în structuri goale. Datorită designului său extrem de rezistent cu cârlig basculant, este universal aplicabil pentru grosimi de plăci între 10 și 70 mm, iar capacitatea sa de încărcare excelentă îl face ideal pentru pereții din gips-carton, plăcile de gips-carton perforat și orice structură goală.
Alege diblul CELO BT Plus și vei obține cu siguranță un rezultat profesional, durabil și sigur!
- Montaj rapid, fără instrumente suplimentare
- Stabilitate maximă, cu șină de fixare metalică pentru siguranță sporită
- Aplicabil universal pentru plăci cu grosimi între 10-70 mm
- Ideal pentru gips-carton și plăci de gips-carton perforat, plafoane suspendate și cărămizi goale cu goluri mari
- O alegere excelentă pentru sarcini mari (de exemplu, fixarea sigură a lavoarelor, radiatoarelor, dulapurilor suspendate)
- Calitate premium – Fabricat în Germania (Aichach, Bavaria)
3.2 CELO HRM – Diblul premium din metal pentru gips-carton și pereți goi, cu capacitate de încărcare suplimentară






Diblul CELO HRM pentru pereți din gips-carton cu șurub metric este alegerea perfectă pentru fixarea plăcilor de construcție, cum ar fi gips-cartonul, plăcile de gips-carton perforat sau plăcile de MDF, precum și pentru plafoane suspendate.
După instalare, aripile metalice ale diblului se deschid pe o suprafață mare, oferind o capacitate de încărcare și stabilitate excepționale. De aceea, diblul HRM este soluția ideală pentru fixarea sigură și durabilă a dulapurilor suspendate din bucătărie, rafturilor sau altor obiecte mai grele.
Alege diblurile premium CELO HRM pentru a obține rezultate stabile și profesionale în orice sarcină de fixare!
- Fabricat din material ignifug, cu clasificație de protecție la foc: clasa A1, conform DIN EN 13501-1.
- Montaj rapid și convenabil cu clema de montaj CELO MZA 100.
- Poate fi montat ușor cu un șurubelnță cu acumulator sau cu un șurubelnță tradițională.
3.3 CELO FK – Diblul metalic cu cârlig basculant pentru pereți goi și plafoane suspendate, cu capacitate mare de încărcare




Diblul metalic CELO FK cu cârlig basculant este alegerea perfectă pentru fixarea plăcilor de gips-carton, plăcilor de MDF, cărămizilor goale sau plafoanelor suspendate. Bucură-te de un montaj rapid și simplu: diblul se deschide automat după ce trece prin găurire și se fixează sigur în spatele plăcii. Tija filetată lungă permite utilizarea flexibilă pentru materiale de grosimi diferite, cum ar fi montajul suspendat al lămpilor.
Alege tipul care ți se potrivește:
• FK-HS: cu cârlig rotund
• FK-S: cu piuli și șaibă hexagonală
3.4 CELO GKD – Diblul rapid autoforant pentru gips-carton




Cu diblul CELO GKD pentru gips-carton (cu cap PH2 pentru înșurubare), montajul este rapid, simplu și convenabil, deoarece nu necesită găurire prealabilă, permițând fixarea directă pe plăcile de gips-carton. Designul special al diblului, precum și filetul său puternic și cu capacitate mare de încărcare permit o înșurubare ușoară și precisă.
Diblul GKD este fabricat în Germania, având o calitate excelentă, respectând cele mai stricte standarde de calitate, garantând astfel o fixare durabilă și profesională.
Alege diblurile CELO GKD de calitate premium, ușor de utilizat, pentru ca lucrările tale de montaj să fie mai simple, mai rapide și mai sigure!
- Ideal pentru fixarea rapidă și sigură a sarcinilor ușoare în pereți din gips-carton
- Nu este necesară găurirea prealabilă, ceea ce face montajul mult mai rapid și mai simplu.
- Fixare premium de calitate, durabilă, special concepută pentru obiecte ușoare (tablouri, rafturi, echipamente mici, de exemplu, lămpi)
- Calitate CELO – produs fabricat în Germania, conform celor mai înalte standarde de calitate
3.5 CELO GKDZ – Diblul rapid autoforant pentru gips-carton cu șurub




Diblul metalic autoforant CELO GKDZ este soluția perfectă pentru fixarea rapidă și ușoară a plăcilor de gips-carton și gips-carton perforat. Diblul de calitate premium, fabricat din aliaj de zinc, datorită vârfului său ascuțit, poate fi înșurubat ușor și precis, fără a fi necesară găurirea prealabilă.
Diblul GKDZ și șurubul aferent pot fi fixate rapid, ușor și stabil într-un singur pas, economisind timp și energie în timpul montajului, fiind astfel alegerea ideală pentru lucrări rapide, convenabile și profesionale.
Alege diblurile auto-găuritoare premium CELO GKDZ și vei obține cu siguranță rezultate de calitate și durabile!
- Potrivit pentru sarcini ușoare
- Pentru plăci de gips-carton și gips-carton perforat
3.6 CELO FX – Diblul universal premium din nailon pentru pereți goi, cu montaj ușor





Diblul clasic CELO, cu dispersie de patru ori FX, este alegerea perfectă dacă vrei o fixare stabilă și profesională pentru diferite materiale de construcție. Acest diblu premium nu doar că asigură o rezistență deosebită în structuri solide, dar se comportă excelent și pentru gips-carton, gips-carton perforat, plăci de MDF sau cărămizi goale. În spatele materialelor de construcție goale și plane, formează un „nod” pentru a oferi o fixare extrem de stabilă și durabilă.
Folosește diblul universal din nailon CELO FX dacă vrei calitate premium, montaj simplu și rezistență maximă în orice aplicație!
- Designul cu guler al diblului previne alunecarea acestuia în timpul montajului, făcând fixarea mult mai ușoară și rapidă.
- Diblul CELO FX este gata de utilizare, livrat împreună cu șurubul, pentru ca tu să poți începe imediat munca.
- Calitate „Fabricat în Germania”!
3.7 CELO HR – Diblul din nailon pentru gips-carton, pentru sarcini ușoare




Diblul CELO HR pentru gips-carton este soluția perfectă și economică pentru fixarea obiectelor ușoare pe pereți din gips-carton și plafoane suspendate. Când șurubul este înșurubat, cele două aripi ale diblului se deschid și se fixează stabil în spatele peretelui. Oferă un montaj rapid și simplu pentru obiecte de greutate mică.
Alege diblurile CELO HR dacă ai nevoie de calitate premium, instalare simplă și un raport excelent calitate-preț!
- Fabricat din nailon de calitate premium, durabil, rezistent la intemperii și radiațiile UV.
- Este ignifug, conform standardului DIN EN 13501-1, clasa A1.
- Calitate excelentă – Fabricat în Germania (Aichach, Bavaria).
3.8 CELO TPL – Diblul autoforant pentru gips-carton, cu capacitate mare de încărcare



Diblul CELO TPL cu cârlig basculant oferă o soluție inovativă din două piese pentru fixarea plăcilor de gips-carton. Partea mobilă a diblului are un vârf special ascuțit, care se penetrează automat prin gips-carton, în timp ce partea fixă rămâne stabilă pe suprafața plăcii, asigurând o fixare perfectă.
Când înșurubezi șurubul, partea mobilă din spate a diblului se rotește lateral și fixează în siguranță diblul în spatele plăcii.
Diblul CELO TPL este fabricat din nailon întărit cu fibră de sticlă, de calitate premium, oferind o rezistență excepțională și garantând o capacitate de încărcare de până la 20 kg.
Alege diblul CELO TPL pentru a obține soluții sigure, profesionale și durabile pentru orice sarcină de fixare cu încărcături ușoare și medii!
Informații suplimentare
Descărcări
Descarcă gratuit broșura noastră despre cele mai importante dibluri din secțiunea „Descărcări” și alege cu ușurință soluția de fixare perfectă pentru tine!
Cum? Videoclipuri de asamblare
Pe canalul nostru de YouTube, îți arătăm pas cu pas cum să montezi rapid și ușor diblurile pentru gips-carton. Urmărește-ne și învață tehnica fixării profesionale!